网站首页 > 信息公开 >霍邱县青少年活动中心 > 财政决算

霍邱县青少年活动中心2016年度部门决算及“三公”经费公开情况说明

浏览次数: 来源:霍邱县人民政府 时间:2017-09-12 00:00    文字大小:[ ]   背景色:       

第一部分 部门概况

    一、主要职责
    霍报县青少年学生校外活动中心的主要职责是:
    1.负责探索课外教育活动的新模式,组织开展有益于青少年学生身心健康成长的思想道德教育,科普知识教育和科技创新作品制作、健身、娱乐、体艺特长培训、各类比赛等系列活动;
    2.青少年校外活动中心以课外活动为主,巨大发挥自身优势,以阵地为依托,以活动为载体,以社会为舞台,以服务青少年为出发点,为青少年参加各类活动、比赛提供条件和平台;
    3.青少年校外活动中心树立“活动育人、社会育人”的教育理念,坚持“面向学校、面向社会、面向全体青少年”的工作方针,突出个性化教育,尊重兴趣爱好,注重创新精神和实践能力的培养,陶冶高尚的情操,促使青少年健康快乐成长,负责指导、检查、考核乡村少年宫工作;
    4.青少年校外活动中心承担指导、检查全县中小学、幼儿园课外活动的组织落实工作;
    5.举办各类特长培训班和各类比赛活动。培养青少年的音、体、美、艺术特长、劳动技能和科技创新能力。为青少年及时提供各类培训学习、文化交流、比赛、才艺展示等方面的信息;
    6.青少年校外活动中心配合教育局各股室做好相关工作,完成局领导交办的其它临时性工作。
    二、2016年度部门决算单位构成
    霍邱县青少年学生校外活动中心2016年度部门决算单位共1个。具体情况见下表:

     

序号

单位名称

1

霍邱县青少年学生校外活动中心

    三、2016年度主要完成的工作任务
    1、坚持面向广大青少年开展普及性活动。重点抓好绘画、书法、声乐、电子琴、钢琴、乒乓球,舞蹈等专业的培训工作,丰富青少年的课余生活,促进广大青少年特长的提升。
    2、坚持免费开展公益性活动。目前送活动下乡到校的开展大大提高了青少年学生的综合素质,已成为我中心一道亮丽的风景。今后我们将继续加大力度,进一步开展形式多样、丰富多彩的公益性活动,让活动带动学校实现跨越式发展。
    3、发挥校外活动中心的辐射作用,积极配合乡镇“乡村学校青少年宫”建设。使各乡镇享受到校外教育中心的优质资源,丰富乡村孩子的文化生活,愉悦孩子们的身心,发挥校外教育的特有功能,全面推进我县校外教育事业的蓬勃发展。
    4、充分发挥校外教育实践基地的作用,积极开展“送教下乡”、“送文艺下乡”、“送科技下乡”等活动,提高乡村青少年宫的教学水平,丰富乡镇学生的文化生活,增强乡镇学生的科技创新意识。
    5、做好青少年学生校外活动安全教育管理。建立完善校外活动安全管理预案,明确责任,落实措施,全面开展安全隐患排查整改,彻底消除中心安全隐患,最大限度地保障全体师生的生命和财产安全。
    6、建成一个校外社会综合实践基地。基地要突显“四大主题”(即:生存体验、素质拓展、科学实践、专题教育)训练内容有十项:自然认知、劳动技能、安全应急、团队拓展、挑战冒险、森林探险、自然科普、国防教育 、民族文化、营地服务等功能园区。
    7、继续做好预防青少年犯罪教育工作,办好安全、心理健康知识讲座。
    8、全面搞好活动绩效考核,迎接2017年省市评估组对我县活动中心进行校外教育督导评估验收。

第二部分 霍邱县青少年学生校外活动中心2016年部门决算情况说明

    一、2016年财政拨款收支决算总体情况
    (一)2016年收入决算总体情况    
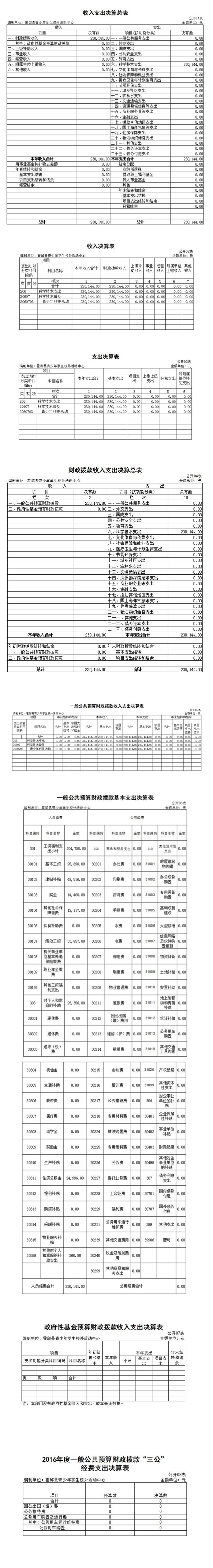
    2016年总收入决算23.0144万元,其中财政拨款收入决算为23.0144万元。
    (二)2016年支出决算总体情况
    2016年一般公共决算基本支出23.0144万元,其中:工资福利支出20.4788万元,主要包括:基本工资、津贴补贴、社会保障缴费、绩效工资、其他工资福利支出等。商品和服务支出0万元。对个人和家庭的补助360元,主要是独生子女保障金。
    (三)2016年“三公”经费决算情况
    2016年“三公”经费支出零决算,专项活动相关支出由专项经费列支。
    1、因公出国(境)费无支出。
    2、公务接待费: 零支出,具体经费使用严格贯彻中央八项规定和省委省政府30条要求,严格执行《党政机关厉行节约反对浪费条例》等相关规定。
    3、公务用车购置及运行费:零。
    2016年,我中心将全面落实厉行节约的相关政策和措施,严格执行决算,控制经费支出,为实现建设节约型事业单位的目标和任务而努力。

第三部分 霍邱县青少年学生校外活动中心2016年部门决算表

    1. 2016年收入支出决算总表
    2. 2016年收入决算总表
    3. 2016年支出决算总表
    4. 2016年财政拨款收入支出决算总表
    5. 2016年一般公共预算财政拨款收入支出决算表
    6. 2016年一般公共预算财政拨款基本支出决算表
    7. 2016年政府性基金预算财政拨款收入支出决算表
    8. 2016年一般公共预算拨款“三公”经费支出决算表

 

 10.jpg

标签:
文件下载
政策咨询

如果您对该政策文件有疑问,可以拨打标题上方的电话咨询相关部门。