返回首页
长辈版
无障碍
网站首页
>
信息公开
>霍邱县市场监管局
>
财政资金
>
部门项目
索
引
号:
113414230924781236/202509-00012
组配分类:
部门项目
发布机构:
霍邱县市场监管局
主题分类:
市场监管、安全生产监管,其它
成文日期:
暂无
发文日期:
2025-09-26 16:38
文 号:
关
键
词:
名 称:
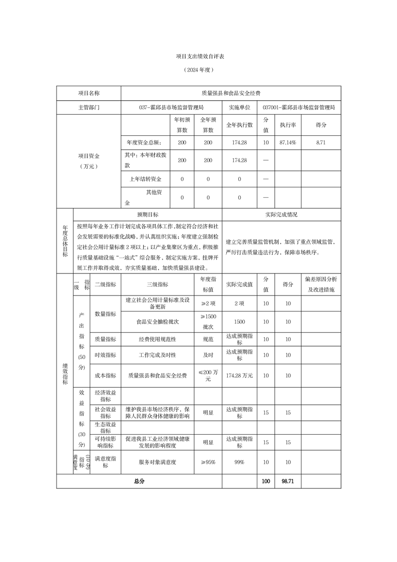
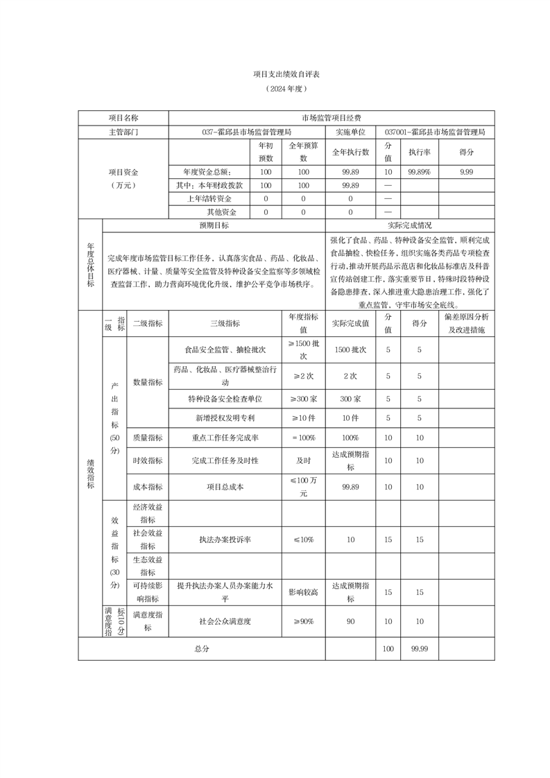
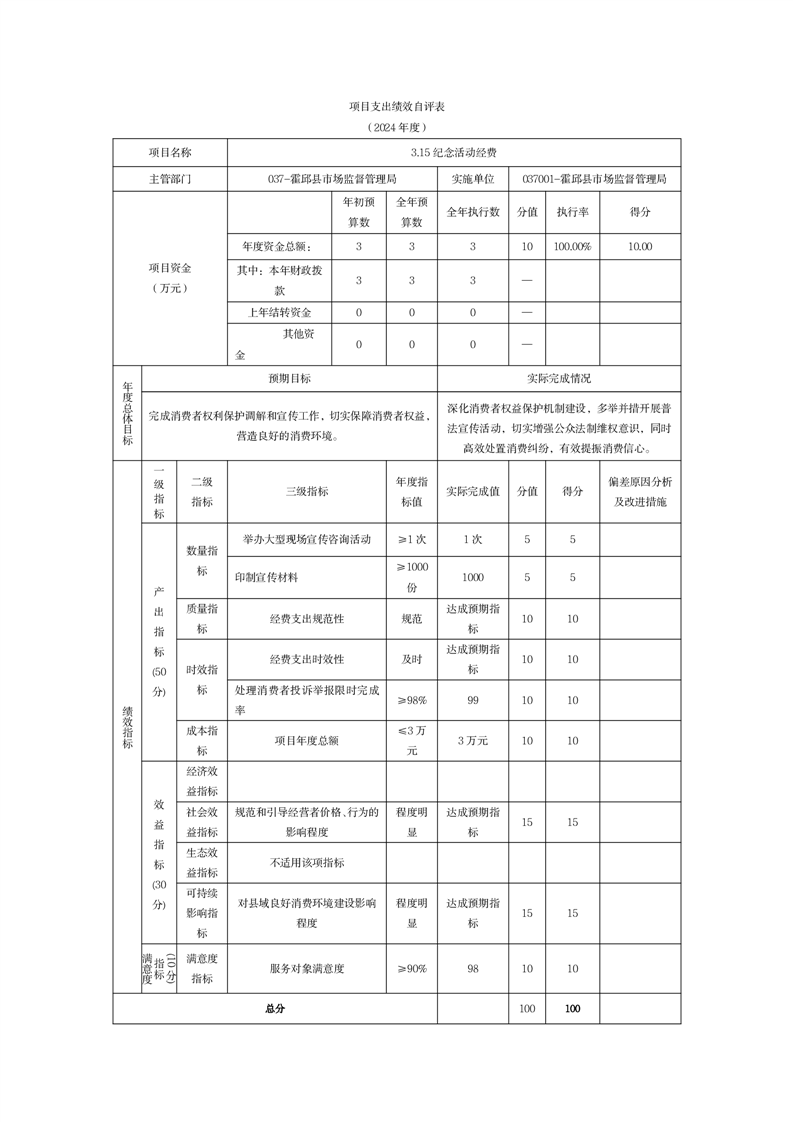
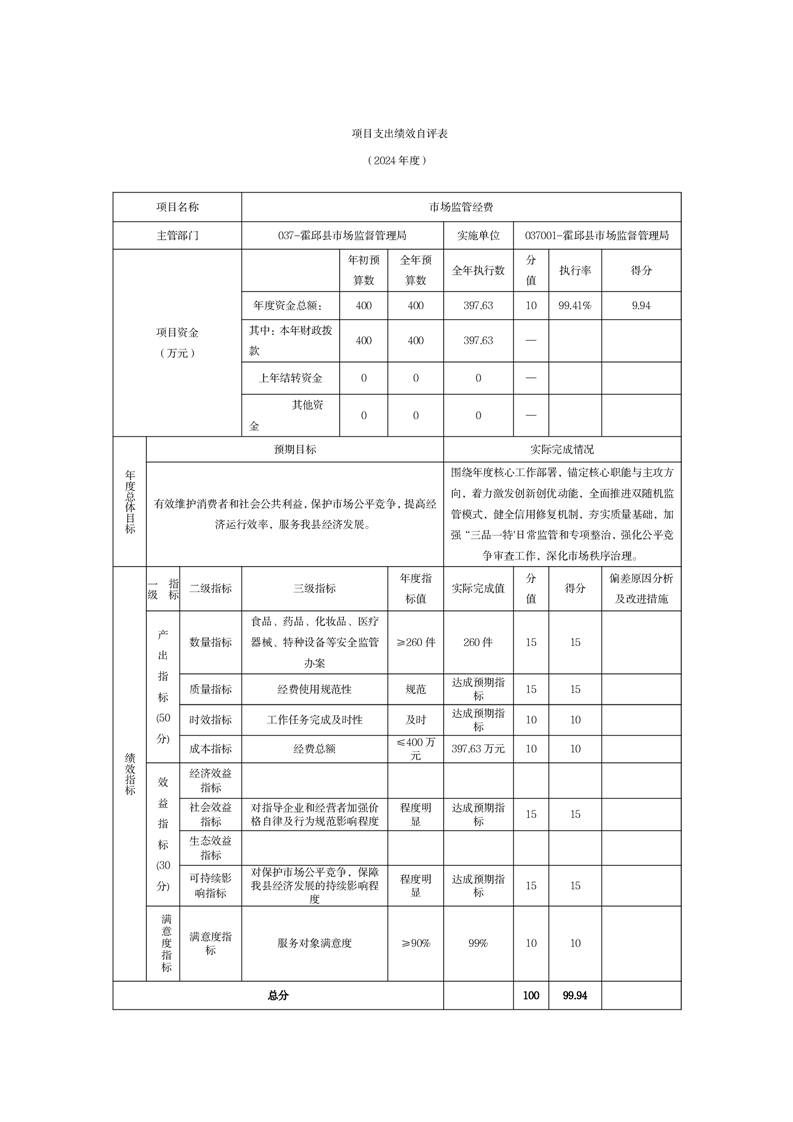
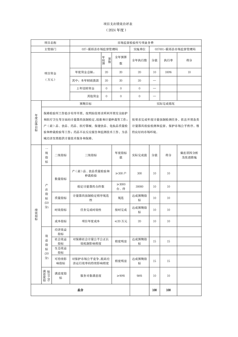
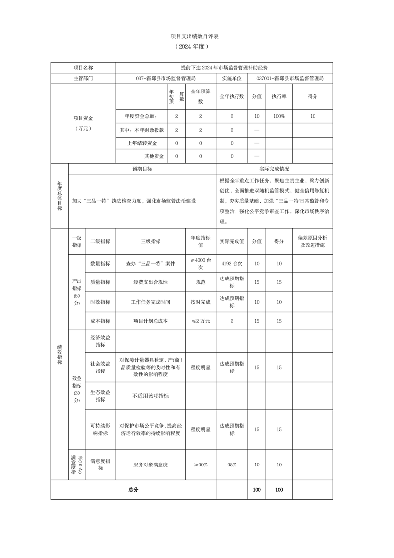
霍邱县市场监督管理局 2024 年度项目支出绩效自评结果
有
效
性:
有效
霍邱县市场监督管理局 2024 年度项目支出绩效自评结果
浏览次数:
来源:霍邱县市场监管局
时间:2025-09-26 16:38
我要纠错
文字大小:[
大
中
小
]
背景色:
标签:
文件下载
政策咨询
如果您对该政策文件有疑问,可以拨打标题上方的电话咨询相关部门。
打印本页
关闭窗口